0 ₽
- Обзор
- Характеристики
- Отзывы (0)
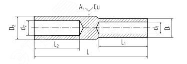
Предназначены для соединения опрессовкой алюминиевых и медных жил. Материал - электротехнический алюминий марки АД1 и медь марки М1, Рабочее напряжение до 10 кВ. Медная и алюминиевая части гильзы соединены между собой методом фрикционной сварки и обеспечивают контакт металлов на молекулярном уровне. Гильзы имеют внутреннюю перегородку, определяющую глубину захода кабельных жил и выполняющую функцию масляного стопора. Конструкция гильз ГАМ 'КВТ' предусматривает редукционный переход на меньшее сечение с алюминиевого кабеля на медный при сохранении токовой нагрузки
Гильза ГАМ 16-10 (КВТ) отзывы
About this product reviews yet. Be the first!






